Мини-печи с грилем и конвекцией
BBK OE3073DC
Эту модель не зря называют “мини-печью”. Несмотря на умеренный объем камеры (30 л) и относительно небольшую мощность (1,5 кВт), он ни в чем не уступает крупным надежным кухонным приборам. Он оснащен удобным электронным управлением процессами, информационным дисплеем, конвекцией для быстрого и равномерного приготовления, несколькими автоматическими программами, грилем и таймером с автоматическим отключением. Габаритные размеры 51x36x32 см. Гарантия один год.
- Диапазон температур 30 … 230°C позволяет, например, запекать, жарить или даже готовить йогурт.
- Освещение внутри варочной камеры
- Таймер со звуковым сигналом до 120 минут
- Отображение всех настроек
- Двойное остекление в двери меньше нагревается
- Тонкий дизайн
- Конвекция может быть включена или выключена по мере необходимости в большинстве автоматических программ
- Электронный дисплей
- Электрическая мини-печь с конвекцией, грилем и автоматическими программами приготовления (ферментация, повторное нагревание, размораживание, пицца, выпечка и т.д.)
Maxwell MW-1851
Мини-печь мощностью 1,6 кВт и рабочим объемом 30 литров имеет отличительную особенность: вертел для запекания целой курицы. В остальном набор функций довольно стандартный: регулировка температуры, таймер с автоматическим отключением, режим переключения верхнего/нижнего нагревателя или их совместное включение. Управление механическое. Гарантийный срок – 1 год, срок службы – 3 года (по паспорту).
- Простое механическое управление с тремя поворотными переключателями: таймер, температура (макс. 230°C), режим работы (конвекция в режиме “разморозки” без нагрева/ верхний/нижний нагреватель/ верхний и нижний нагреватель и конвекция)
- Яркий черный корпус, эмалированное покрытие, легко чистится
- Звуковой сигнал об окончании работы
- Индикация режима
- Мини-печь с функциями гриля, конвекции и вертела
- Нет дисплея
- Одинарное стекло очень горячее, похожее на
- Отсутствие автоматических программ приготовления
Steba KB 28 ECO
Мини-печь с объемом камеры для выпечки 28 литров и мощностью 1400 Вт. Он быстро нагревается и может быть настроен на необходимую температуру в диапазоне от 90 до 230 градусов. Прибор имеет большой выбор режимов работы – верхний и нижний нагревательные элементы могут быть включены вместе или раздельно, в сочетании с конвекцией и вертелом
Обратите внимание, что на вертеле могут удобно разместиться только мелкие птицы весом до 1 кг. Имеется механический таймер на 90 минут
Хорошая теплоизоляция корпуса и двойная дверца предотвратят ожоги во время приготовления пищи.
- хорошая теплоизоляция тела
- выбор режима очистки
- быстрый нагрев
С конвекцией и двойным стеклом
Существует большое разнообразие электрических духовых шкафов, и выбрать подходящую модель может быть непросто. Помимо полезных функций, самым важным является двойное стекло в дверце духовки, которое не перегревается во время работы духовки.
Steba KB 27 U.3
Универсальный настольный прибор с верхним грилем и конвекцией. Вместимость полости составляет всего 20 литров. Эта модель оснащена грилем, вертелом и стандартным противнем, на котором можно готовить различные блюда. Корпус печи металлический, а дверца имеет двойное остекление.
Преимущества:
- простота использования;
- высокое качество изготовления
- бесперебойная работа;
- универсальность;
Недостатки:
- Жилье очень быстро пачкается.
- Он слишком сильно нагревается во время работы;
Gemlux GL-OR-2265LUX
Просторный электроприбор с хорошей производительностью. Девять режимов приготовления – ферментация, нижний и верхний нагрев, пользовательская программа, размораживание, отдельные функции для пиццы, тостов и птицы.
В комплект входят противень, подставка, вертел со специальными зажимами и противень с ручками по бокам. Прибор можно регулировать с помощью четырех удобных ручек.
Преимущества:
- необычный дизайн;
- Широкий выбор различных режимов;
- Дверь с двойным остеклением.
Недостатки:
Большие размеры.
Scarlett SC — EO93O21
Идеальная модель для загородных домов или небольших кухонь, где нет места для традиционной печи. Этот прибор может полностью заменить его, предлагая широкий спектр функций: верхний гриль, конвекция, одновременный нагрев снизу и сверху, дверца с прочным двойным остеклением.
Преимущества:
- освещение;
- удобный таймер;
- современный дизайн.
- Множество функций;
- компактность;
Недостатки:
Корпус сильно нагревается во время приготовления.
Схема двухкомфорочной электроплиты мечта
Электроплита МЕЧТА 15 М схема замена переключателей
Меняем сначала левый переключатель потом правый
и переключатель духовки
Обязательно меняем все подгоревшие фастоны
я заменил восемь штук




на схеме показана конфорка на 1200 ват
также существуют конфорки на 1000 ват сопротивление спиралей
у неё 120 ом и 80 ом
Показания омметра при подключении к сетевой вилке
будут 1- 200 ом 2- 120 ом 3- 80 ом 4- 50 ом
при переключении духовки 1-40 ом 2- 75 ом 3- 75 ом 4- 150 ом
сопротивления могут отличатся на 1-3 ома допускается гостом

Электроплита МЕЧТА 15 М схема
Переключатель ПМ 16-05-06
Переключатель ПМ 16-05-01
Терморегулятор WY 320-653-21F2

Красноярск ремонт электропечей т. 8 902 918 93 34
Ремонт электроплиты Мечта

На днях, мне пришлось столкнуться с ремонтом электрической плиты Мечта, точнее сказать с ремонтом духовки данного изделия.
По рассказам хозяев данного чуда, плита периодически живёт своей жизнью, то одна конфорка не работает, спустя время начинает работать, но не реагирует другая. Духовка трудолюбиво накормила своих домочадцев на новогодние праздники, а на рождество наотрез отказалась печь гуся. В таком состоянии я её и застал. На включение духового шкафа, плита реагировала только подсветкой духовки, давать тепло, а тем более печь пироги, она категорически отказывалась.
Приехав по звонку, я особо не готовился к глобальному ремонту электроплиты Мечта 12-03 (кстати, принцип расключения с другими моделями схож ). Взял с собой походный ящик с необходимыми инструментами и поехал на заявку.
Беглый осмотр основных электрических соединений плиты не дал никаких результатов. Всё было на своих местах и в очень удовлетворительном состоянии. ОК. Отсутствие быстрого результата – тоже результат. Далее пошёл по стандартной цепочке от силовых входящих распределительных клемм. По ходу цепочки проверил термостат электроплиты Мечта – без нареканий, и медленно но уверенно следуя по наглядной схеме, подобрался к переключателю мощности ПМ-16-5-01.
То, что через него не проходил ноль, я понял сразу, но не снимать переключатель, ни разгадывать ребусы зигзагов пятиступенчатого переключателя не стал, решив подготовившись, творчески подойти к процессу.
Так же, как и обнаружить с наскока неисправность духовки электроплиты Мечта, мне не удалось найти схему подключения данной чудо техники. Но нашёл важнее, режимы работы пятиконтактного переключателя мощности. Что касаемо схемы электроплиты Мечта, вопрос был решён следующим образом. Хоть и визуальная, а главное до меня никем не нарушенная схема у меня была, но сделав запрос на завод изготовитель, к своему удивлению, я довольно быстро получил ответ, а следом и монтажную схему электрической плиты Мечта 12-03, за что отдельное спасибо менеджеру Наталье, с данного производства.
Вооружившись схемами, я совершил повторную атаку на ремонт электрической духовки чудо плиты Мечта.
Мои первоначальные предположения подтвердились, неисправность скрывалась в переключателе режима духовки, а конкретней, два контакта от нагрева «поплыли» в сторону, а контактные пластины имели каленый вид от перегрева. Вердикт – переключатель мощности режимов духового шкафа Мечта, под замену.
Но, поскольку в нашем городе, таких переключателей в наличии не нашлось, только под заказ, по просьбе хозяев плиты «сделать хоть что-нибудь», поведённые отходящие контакты были восстановлены на место, посредством прогрева, а сами контактные поверхности очищены от обугливания спиртом, (к счастью их поверхность при подгорании не пострадала).
Как вариант, для временной трудоспособности переключателя мощности ПМ-16-5-01 и других из этой же серии, если «подгоревший» контакт деформировался от температуры и не замыкает контактную пластину, его можно подогнуть. По месту это сделать не получится, а сняв контактную группу с корпуса, предварительно вытащив удерживающую его контактную перемычку (указано на фото стрелкой), его возможно подогнуть.
Гарантию на такой ремонт электроплиты Мечта дать сложно, но до прихода нового переключателя мощности, она точно продержится.
В завершении своего описания по ремонту электрической плиты, выложу все схемы, что удалось найти в сети и те что прислал завод изготовитель (кстати, в моём случае фактический монтаж отличался от заводской схемы).
Схема контактных групп переключателя мощности ПМ-16-5-01

Так выглядит непосредственно сам переключатель духовки (да и конфорок) электроплиты Мечта:

Электрическая схема электроплиты с духовкой Мечта (хоть и двух конфорочная, но расключение проводов переключателя духовки совпадает.

Монтажная схема электрических соединений электрической плиты Мечта 8

Схема электрических соединений электрической плиты Мечта 12-03

Электрическая схема двухконфорочной плиты с духовым шкафом модели «Мечта 221Ч»

Электрическая схема плиты модели «Мечта 29»
Дзюба — запасной
На пресс-конференции после победы над «Краснодаром» Сергей Семак не сказал ничего сенсационного, если не считать одной фразы: «Нам нужно правильно оценивать состояние наших игроков, ставить тех, кто лучше и готов приносить пользу».
Кажется, что и в этой цитате нет ничего удивительного: выходить на поле должны те, кто превосходит конкурентов за место в составе здесь и сейчас. Но Семак за три сезона приучил болельщиков к другой философии — тренер придерживается конкретной тактики и конкретного «старта». Поэтому слышать такие слова от него достаточно неожиданно. И сразу захотелось проверить, будет ли Семак последователен и подкрепит ли сказанное делом.
Ждать пришлось неделю — до следующей встречи, с «Локомотивом». Сергей Богданович удивил. Артем Дзюба, который в начале сезона находится не в форме, остался в запасе. Одновременно и логичное, и сенсационное решение. Для лучшего бомбардира прошлого чемпионата это, безусловно, шок — за весь розыгрыш РПЛ-2020/21 Артем всего один раз выходил на замену.
Сюрприз Николича
Изначально казалось, что футбол в Черкизове получится результативным. На старте чемпионата обе команды как пропускали, так и забивали. У обоих соперников не все в порядке с обороной, зато сильная атака.
«Зенит» разменял инертного Дзюбу на заряженного Малкома, а «Локомотив» и вовсе выпустил гиператакующий состав — Жемалетдинов и Камано на флангах, а Смолов с Зе Луишем впереди. Ромба в центре поля у Николича не было, опорную зону вдвоем закрывали Куликов с Магкеевым.
К сербу тоже появились вопросы по составу. Зе Луиш почти весь минувший сезон лечился, а Лисакович в предыдущем туре забил в Уфе после выхода на замену. Однако белорусский форвард остался в резерве.
В помощь ремонтнику
Вашему обзору предлагаем для самостоятельного ремонта электрические схемы электроплит!
Представлены плиты российского и импортные производства, которые не меняются годами. Для увеличения просмотра нажмите на рисунок.
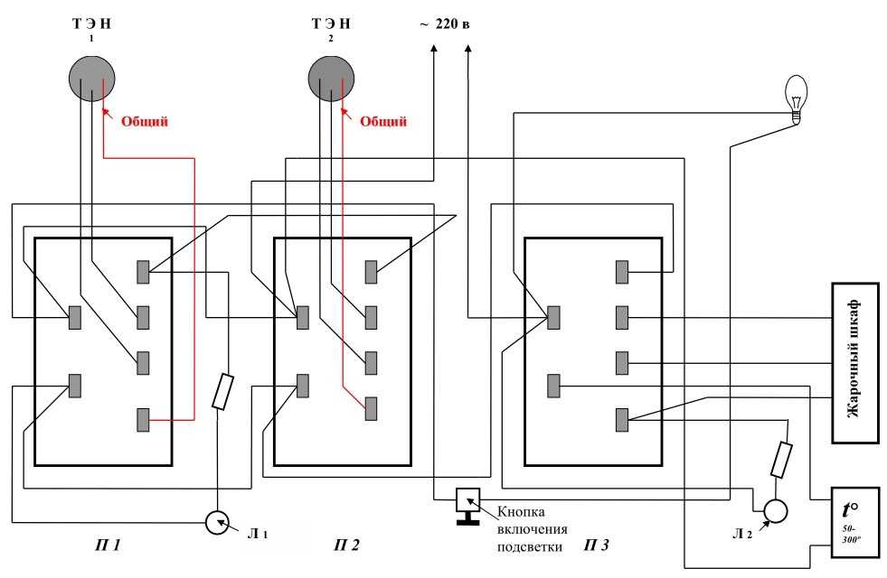
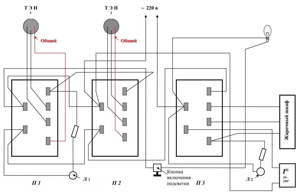
Основные элементы и узлы плиты: ТЭН Е1 (в первой конфорке), Е2 (во второй конфорке), Е3-Е5 (в жарочном шкафу), коммутационный узел, состоящий из переключателей S1-S4, тепловое реле F типа Т-300, индикаторы HL1 и HL (газоразрядные для индикации работы ТЭНа), HL3 (накального типа для подсветки жарочного шкафа). Мощность каждого ТЭН составляет порядка 1кВт

Для регулировки мощности и степени нагрева ТЭН жарочного шкафа используется 4-х позиционный переключатель S1. При установке его ручки в первое положение замкнутся контакты Р1-2 и Р2-3. При этом к сети с помощью штепсельной вилки будут подключены: ТЭН Е3 последовательно с параллельно соединёнными ТЭН Е2 и Е3.Ток будет проходить по пути: нижний контакт вилки ХР, F, Р1-2, Е4 и Е5, Е3, Р2-3, верхний контакт штепсельной вилки ХР. Поскольку ТЭН Е3 подключен к ТЭН Е4 и Е5 последовательно, то 38 сопротивление цепи будет максимальным, а мощность и степень нагрева минимальными. Кроме того, будет светиться неоновый индикатор НL1 за счёт прохождения тока по цепи: нижний контакт вилки ХР, F, Р1-2, Е4 и Е5, R1, HL1, верхний контакт ХР.
Подключение узлов Мечта 8:

Во втором положении включаются контакты Р1-1, Р2-3. В этом случае ток пойдёт по цепи: нижний контакт вилки ХР, F, Р1-1,Е3, Р2-3, верхний контакт ХР. В этой ситуации будет работать только один ТЭН Е3 и мощность будет больше за счёт уменьшения общего сопротивления при неизменном сетевом напряжении 220В.
В третьем положении переключателя S1 замкнутся контакты Р1-1, Р2-2, что приведёт к подключению к сети только параллельно соединённых ТЭН Е4 и Е5. Выключатель S4 используется для включения лампы HL3 подсветки жарочного шкафа.



Н1, Н2 — конфорки трубчатые, Н3 — конфорка чугунная 200мм, Н4 — конфорка чугунная 145мм, Р1, Р2-бесступенчатые регуляторы мощности , П3, П4-семипозиционные переключатели мощности, ПШ — трехступенчатый переключатель жарочного шкафа, П5-блокирующий переключатель, Л1….Л4 — сигнальные лампы включения конфорок, Л5- сигнальная лампа включения нагревателей жарочного шкафа или гриля, Л6- сигнальная лампа достижения заданной температуры в жарочном шкафу, Н5,Н6 — нагреватели жарочного шкафа, Н7- гриль, Т -терморегулятор, В- выключатель клавишный, Л7 – лампа освещения жарочного шкафа, М- моторедуктор.
6.ПЕРЕКЛЮЧАТЕЛИ КОНФОРОК Горение, Нansa, Электра, Лысьва:
Зевок Кержакова
Ожидания не оправдались. Очень результативного матча не получилось, хотя в первом тайме игра могла раскрыться — Смолов с нулевого угла отправил мяч в ворота Кержакова, но арбитры справедливо зафиксировали офсайд. Голкипера «Зенита» поднятый флажок спас — Михаил едва не пропустил один из самых курьезных голов в карьере.
Николич сознательно отдал мяч гостям, и вообще хозяева смотрелись очень аккуратными — вероятно, так повлияли две последние встречи «Локомотива» с «Зенитом», в которых москвичи уступили с общим счетом 1:9. До перерыва моментов у ворот Кержакова было чуть больше. В одном из них в голкипера мощно пробил Зе Луиш, а в другом Михаил ошибся на выходе, но «Локо» этим не воспользовался. Лишнее подтверждение тому, что «Зениту» необходим еще один вратарь.
Удаление Кузяева и травма Малкома
У гостей впереди мало что получалось, а к концу первого тайма они еще чуть не остались вдесятером — Кузяев мог получить вторую желтую карточку после единоборства с Живоглядовым. Впрочем, споры в соцсетях по эпизоду продолжались недолго — на 50-й минуте Далера все-таки удалили за фол на Жемалетдинове.
«Зенит» перестроился на 4-4-1, но, к удивлению, остроты стало больше. Во втором тайме особенно активничали двое — Ерохин (два голевых момента) и Малком. Бразильца устранили только с повреждением — олимпийский чемпион получил по голове, и после замены ему срочно приложили к ушибленному месту лед.
Два пенальти подряд
«Локомотив» неважно выглядел в большинстве — почти никаких попыток реализовать его красно-зеленые не предпринимали. А «Зенит» старался взять свое на контратаках, и однажды получилось: Гильерме сбил Азмуна, но 11-метровый исполнял не иранец, а Сутормин
Вышедший на замену полузащитник пробил точно в нижний угол.
Однако победу «Зенит» не удержал, хотя и открыл счет на 85-й минуте. С выходом Лисаковича «Локо» перешел на навал, и это быстро принесло плоды. Вновь пенальти, только на этот раз в другие ворота. Сергею Карасеву понадобился видеоповтор, чтобы его назначить, но все по делу. Смолов пробил Кержакова.
1:1 — справедливый результат. На победу не наиграла ни одна команда. «Зенит» потерял первые очки в этом чемпионате.
Советы по электрическим плитам
5 марта 2015
+1
совет профессионала
Как выбрать духовой шкаф? Techport.ru знает правильный ответ
Специалисты Techport.ru предложили покупателям разобраться в особенностях современных встраиваемых духовых шкафов. В статье «Как выбрать духовой шкаф?» представители магазина рассмотрели особенности различных типов духовок. Начать выбор шкафа следует с изучения возможных способов его подключения, говорят специалисты Techport.ru. Все зависит от типа дома, в котором будет устанавливаться устройство и какой тип энергии в нем используется. Электрические духовые шкафы потребляют от 2,5 до 4 кВт энергии. В газовых же используется комбинированная схема, когда нижний жар задается газовой горелкой, а верхний — электрической.
30 мая 2013
+11
совет экспертов
Сделаем свою кухню удобной
Современные кухни — это отдельная отрасль со своей технологией, модой, идеологией. Кухни очень похожи одна на другую, и вместе с тем каждая имеет свое неповторимое лицо. Но главная задача кухни, которая ставится всеми производителями без исключения, — функциональность и удобство. Кухня почти единственное место в доме, задача которого — работать. Поэтому, создавая свою неповторимую кухню, мы прежде всего создаем рабочее место.
13 мая 2013
+7
Народный эксперт
Варочная панель и духовка: как будем все это чистить?
Работа домашнего повара тесно связана как с грязью, так и с чистотой. Чистка одной картошки или рыбы чего стоит! А что говорить о термической обработке, когда при высокой температуре вещества приобретают новое состояние: продукты могут пригорать, превратившись в неотдираемую корку, жир становится липким и вязким, даже вода оставляет неэстетичные разводы. Но инженеры и химики не оставляют хозяек наедине с этими проблемами, пытаются облегчить домашний труд и сохранить в первозданном виде каждую новую плиту.
2 ноября 2011
школа «Потребителя»
Хлебу не дай упасть…
«Каждую крошку — в ладошку», «хлеб всему голова» — такие плакаты висели в школьных столовых, и нас учили, что хлеб — это огромный труд, выбрасывать его грешно, даже если он остается «не у дел». Современная бытовая техника: холодильники и морозильные камеры, микроволновые печи, блендеры и кухонные комбайны — помогает сохранить хлеб и приготовить из его остатков вкусные и вполне самостоятельные блюда, которые не стыдно подать гостям!
2 ноября 2011
+4
школа «Потребителя»
Одна на все и на всех — готовим на плите
Если на кухне нет места на модные разрекламированные приборы для готовки: грили, тостеры, пароварки, вафельницы, кофеварки-эспрессо, помните: с тем же успехом можно готовить на плите, надо только знать, как ее правильно использовать.
Новости электрических плит
12 декабря 2019
Новости компаний
CES 2020: газо-электрические и электрические плиты LG InstaView ThinQ
В январе в Лас-Вегасе на выставке CES 2020 компания LG Electronics представит плиты LG InstaView ThinQ с технологией Air Fry.
11 июля 2019
+5
Новости рынка
Производство бытовой техники: вчера – Китай, Россия – завтра?
Сейчас на фоне все углубляющегося кризиса (он есть, как бы нас не пытались переубедить в обратном), все меньше прибыли у компаний, занимающихся перепродажей, и все больше перспектив у производства крупной бытовой техники в России.
4 июня 2019
+1
Новости рынка
Бытовая техника – весна 2019: события, новинки, тесты
Наступил июнь, значит, пришло время подвести итоги весны 2019 года
Какие события в мире бытовой техники запомнились нам и заинтересовали вас? Какие новые бытовые приборы появились в продаже? Какую технику мы протестировали и можем смело рекомендовать для покупки?
Кратко расскажем о самом важном.. 29 мая 2019
29 мая 2019
Презентация
Плита Indesit с функцией Push&Go
Новые плиты Indesit оснащены функцией Push&Go, которая позволяет быстро разогреть духовой шкаф. А очистка паром и система Click&Clean помогут меньше времени тратить на уборку.
4 марта 2019
Новости рынка
Бытовая техника: тесты, обзоры, новинки зимы
Зима 2018-2019 выдалась богатой на события и премьеры: сверхтонкие телевизоры, 5G смартфон, машина для домашнего производства пива, шкаф, заменяющий химчистку, варочная панель с автоматикой закипания. Самая интересная бытовая техника зимы, зимние тесты и обзоры в нашем традиционном отчете.
Описание модели
Электрическая плита с электрической духовкой
ПОТРЕБИТЕЛЬСКИЙ АНАЛИЗ
ФУНКЦИИ: эта небольшая плита — удобный вариант для обладателей небольшой кухни, например, студентов и дачников. На варочной поверхности две одинаковые конфорки средней мощности. Духовка оснащена двумя плоскими нагревательными элементами — ТЭНом сверху и снизу. Она работает в трех режимах. Элементы можно включать по отдельности или вместе.
УДОБСТВО ЭКСПЛУАТАЦИИ: плита оборудована четырьмя регуляторами для управления. Мощность конфорок устанавливается ступенчато, выбирается один из пяти уровней. Температура нагрева духовки устанавливается плавно, до 300 градусов ручкой термостата. Термостат соблюдает точность выбранного параметра, при этом помогает ориентироваться при помощи индикатора. Второй ручкой выбирают режим работы печи.
Панорамное термостойкое стекло, установленное на дверце, позволяет визуально контролировать приготовление пищи. Плита может устанавливаться на стол или специальную подставку, входящую в комплект.
УХОД: за гладкой эмалью несложно ухаживать, для чего можно использовать обычные кухонные средства.
ВАРОЧНАЯ ПАНЕЛЬ: эмалированная, 2 конфорки диаметром 145 мм, мощностью по 1,0 кВт.
ДУХОВКА: объем 24,6 л; максимальная температура 300°С; 3 режима работы: верхний нагрев, нижний нагрев, верхний + нижний нагрев; освещение — лампа накаливания 15 Вт.
УПРАВЛЕНИЕ: механическое, поворотные пятиступенчатые переключатели мощности конфорок, ступенчатый регулятор выбора режима работы духовки, бесступенчатый регулятор термостата, индикаторы работы конфорок, духовки, термостата.
МОЩНОСТЬ: общая потребляемая 3,2 кВт, единовременно потребляемая 2,2 кВт. При включенной духовке блокируется правая конфорка.
ПРИНАДЛЕЖНОСТИ: решетка, 2 эмалированных противня, подставка с полочкой для посуды, опорные установочные ножки.
РЕЗЮМЕ
ПРЕИМУЩЕСТВА: полноценная духовка малого объема, небольшие габариты и вес, возможность переноса.
ОГРАНИЧЕНИЯ: малая функциональность духовки. На подставке стоит очень неустойчиво. Тены стоят неровно, соответственно, кастрюли стоят с перекосом и неустойчиво. Неравномерый прогрев дна из-за косых тенов.
Обзоры электрических плит
6 декабря 2018
обзор бренда
Газовые, электрические, стеклокерамические плиты REEX
Под брендом Reex на российском рынке представлен широкий ассортимент цветных бытовых плит: белые, черные, коричневые, красные, зеленые и желтые.
5 декабря 2018
+1
обзор бренда
Бытовая техника REEX: холодильники и морозильники российского производства
Команда единомышленников, 20 лет успешно работающая на рынке бытовой техники, создала бренд REEX, чтобы предложить потребителям бытовую технику российского производства высокого качества, широкого ассортимента по доступной цене.
6 апреля 2018
+1
обзор рынка
Купить кастрюлю — и легко, и трудно. Эмалированные и нержавеющая сталь, стеклянные и многослойные, наборы посуды. Какие лучше? Читайте и выбирайте!
17 февраля 2015
+1
дизайнерская линия
Оттепель 60-ых возвращается: обзор кухонной техники в стиле ретро
Бытовая техника в стиле ретро пользуется в России повышенным спросом. Как выбрать «правильную» технику, которая соединяет стиль с хорошим вкусом? Стоит ли выбирать крупную технику в ретро стиле? Несомненно! Причем в отличие от других стилистических решений, ретро весьма терпим. Выбрав один замечательный предмет — холодильник или духовку, всю остальную технику можно взять спокойную, даже скучную, так как озорства и всплеска эмоций от одного предмета будет достаточно.
12 августа 2014
мини-обзор
Мини-обзор кухонных плит
В обзоре представлены: газовые плиты ELECTRONICSDELUXE 506040.01г чр и AEG 35146TG-MN, индукционная плита HANSA FCIW53800, а также стеклокерамическая плита CANDY TRIO 9503 X . Описаны технические характеристи, особенности эксплуатации, функционал, а также достоинства и недостатки каждой модели.
Ошибки Ловрена
Если Дзюба оказался на лавке, то Ракицкий даже не попал в заявку. Но тут ничего неожиданного — защитник еще против «Ростова» получил повреждение, из-за травмы украинца заменили и неделю назад с «Краснодаром».
Удивило другое: Семак решил отправить Дугласа Сантоса в пару к Ловрену в центр обороны — флангового исполнителя, а не профильных центральных защитников Чистякова или Хотулева. На левый край тренер поставил Кругового, и это тоже выглядело неочевидным шагом — в четверке Данил выглядит не так уверенно, как в пятерке. В перерыве Кругового логично заменили на Чистякова.
В целом перестановки сзади из-за травмы Ракицкого можно объяснить, но не совсем ясно, почему в основе появился Ловрен. Возвращаемся к цитате Семака — он подчеркнул, что ставить нужно готовых лучше. Хорват же в первых турах допускал достаточно ошибок и в игре с «Локо» тоже действовал неуверенно — не раз упускал соперников за спину.


















































